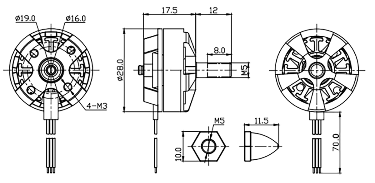
28*19.5mm
12N14P
200℃
M6
42g
>1000h
| Model | KV Value | Maximum Power | Maximum Current | Pull | Efficiency | Awe | Battery | Electronic Tuning | |
| BG-F2208 | KV | W | A | g | g/W | / | S | A | |
| 1250 | 143 | 12.9 | 620 | 4.3 | 8038 | 3S | 25 | ||
| 1500 | 147 | 13.2 | 770 | 5.2 | 8043 | 3S | 30 | ||
| 1800 | 83 | 11.2 | 550 | 6.6 | 9050 | 2S | 25 | ||



