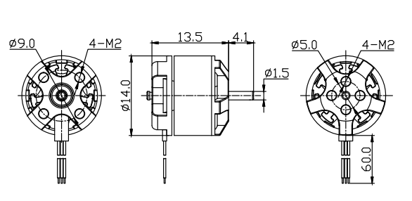
28*13mm
12N14P
200℃
3mm
25g
>1000h
| MODEL | KV Value | maximum power | Maximum current | pull | Efficiency | Awe | Battery | Electronic Tuning | |
| BG-F2405 | KV | W | A | g | g/W | / | S | A | |
| 1500 | 84 | 11.3 | 520 | 6.2 | 9048 | 2S | 20 | ||
| 2600 | 180 | 16.2 | 735 | 4.1 | 9048 | 3S | 30 | ||
| 2600 | 111 | 15 | 590 | 5.3 | 8044 | 2S | 30 | ||



