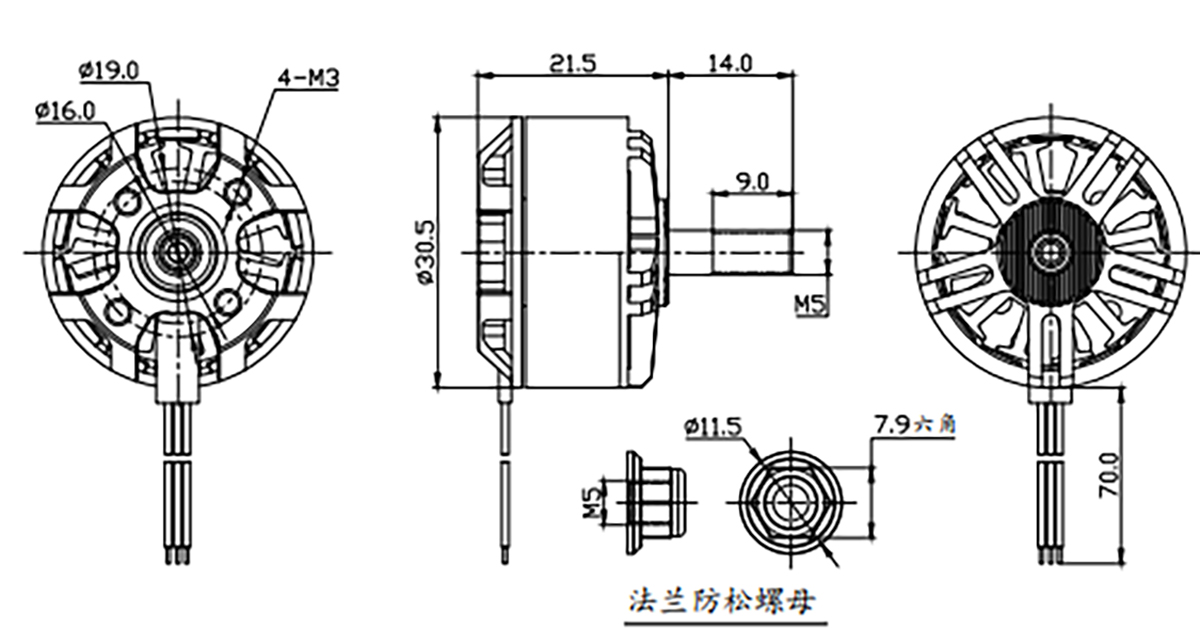
30.5*21.5mm
12N14P
200℃
M5
44g
>1000h
| MODEL | KV Value | maximum power | Maximum current | pull | Efficiency | Awe | Battery | Electronic Tuning | |
| BG-F2508 | KV | W | A | g | g/W | / | S | A | |
| 1850 | 417 | 28.2 | 1140 | 2.7 | 5045 | 4S | 50 | ||
| 1850 | 888 | 40 | 1650 | 1.9 | 4045 | 6S | 80 | ||
| 2500 | 622 | 42 | 1480 | 2.4 | 5045 | 4S | 80 | ||



