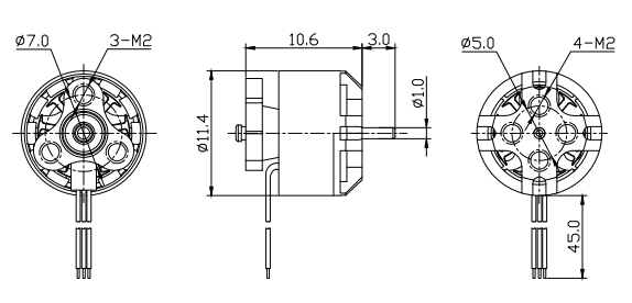
11.4*10.6mm
9N12P
200℃
1mm
3.3g
>1000h
| Model | KV Value | Maximum Power | Maximum Current | Pull | Efficiency | Awe | Battery | ESC | |
| BG-S0804 | KV | W | A | g | g/W | / | S | A | |
| 12000 | 21.5 | 5.8 | 55 | 2.6 | 2035 | 1S | 10 | ||
| 15000 | 18.9 | 5.1 | 56 | 3 | 1940 | 2S | 10 | ||
| 15000 | 65 | 8.8 | 96 | 1.5 | 1940 | 2S | 20 | ||

