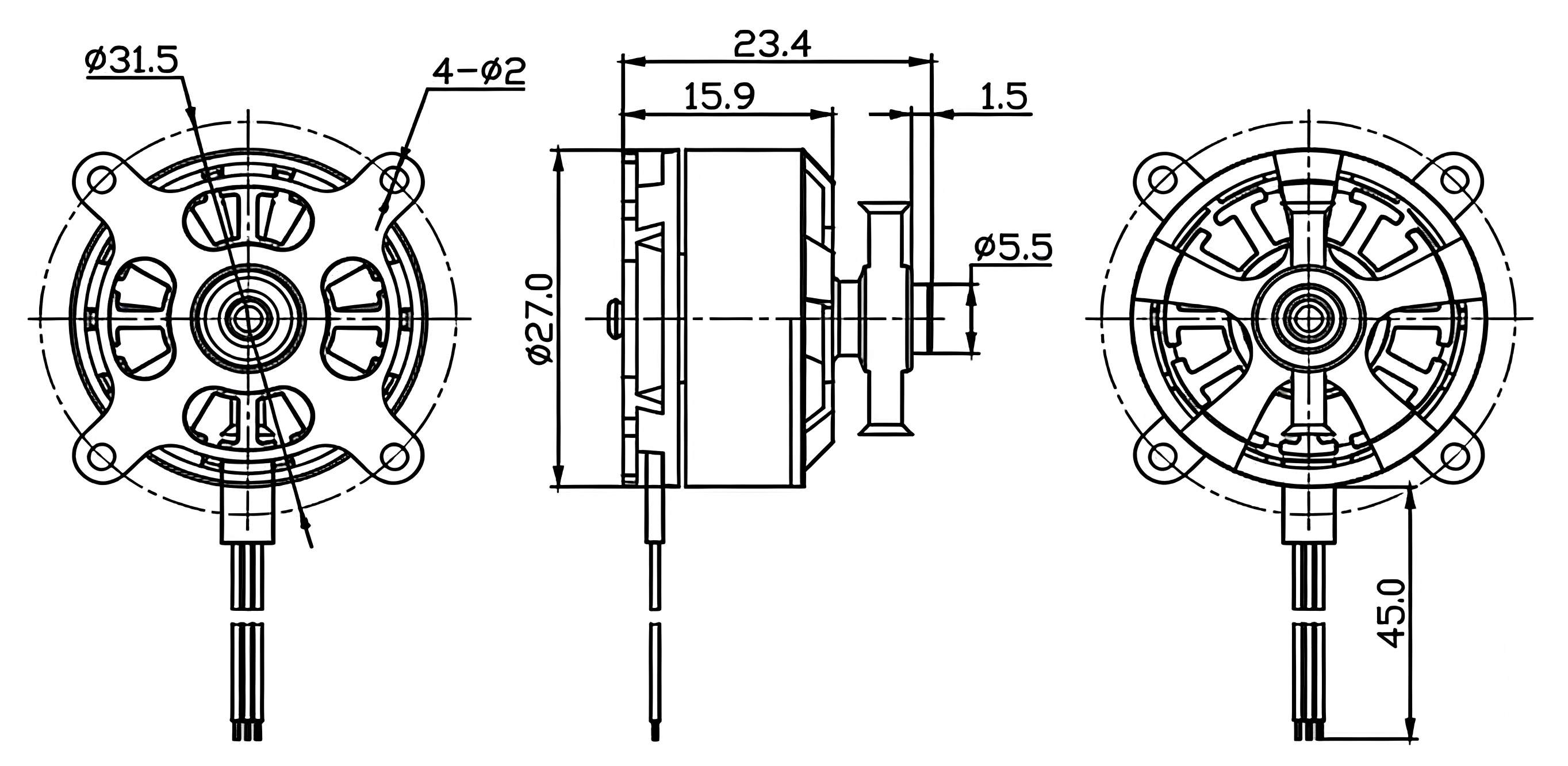
27.5*18.5mm
12N14P
200℃
5mm
35.1g
>1000h
| Model | KV Value | Maximum Power | Maximum current | Pull | Efficiency | Propeller | Battery Lipo Cells | ESC | |
| BGS-F2403 | KV | W | A | g | g/W | / | S | A | |
| 1900 | 1069.2 | 45.38 | 1065 | 1.00 | GF3052 | 6S | 45 | ||
| 2500 | 677.2 | 43.55 | 1590 | 2.34 | GF3053 | 4S | 45 | ||
| 2700 | 869.3 | 56.93 | 1640 | 1.88 | GF3054 | 2S | 60 | ||
The 2207.5 motor is particularly suited for premium 5-inch freestyle drones, where pilots require ultra-smooth throttle response, strong mid-throttle control, and reliable recovery power during complex aerial maneuvers such as power loops, split-S turns, and inverted flight sequences.
Smooth and linear throttle
Strong mid-throttle torque
Excellent recovery performance
In cinematic drone applications, where smooth footage and vibration control are critical, the 2207.5 motor provides improved thrust stability and refined power delivery, ensuring consistent camera performance even during dynamic flight paths.
With optimized KV configurations, the 2207.5 motor can deliver efficient cruising performance, allowing long-range drones to maintain stable flight over extended distances while minimizing energy consumption.
For heavier 5-inch drone builds equipped with HD cameras or additional payloads, the increased torque of the 2207.5 motor ensures sufficient thrust and improved flight stability.
Performance Characteristics:
The increased stator height allows the motor to generate higher torque, enabling it to handle higher pitch propellers and heavier loads with greater efficiency.
The 2207.5 motor delivers a more refined throttle curve compared to 2207 motors, which is particularly beneficial for cinematic and freestyle applications requiring precise control.
The motor maintains stable RPM and efficiency even under higher loads, reducing power loss and improving overall flight time.



