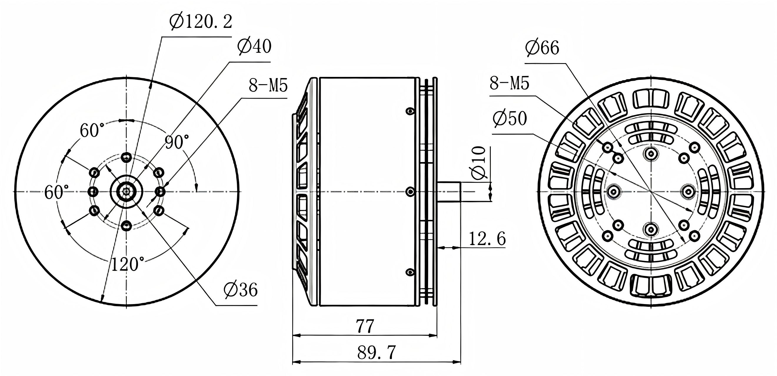
120.2*77mm
36N40P
200℃
10mm
2145g
>1000h
| Model | KV Value | Maximum Power | Maximum Current | Pull | Efficiency | Propeller | Battery Lipo Cells | ESC | |
| BGS-H128 | KV | W | A | g | g/W | / | S | A | |
| 45 | 7051.8 | 80.5 | 36244 | 5.14 | 42" | 24S | 120 | ||
| 68 | 10104.36 | 156.9 | 41271 | 4.08 | 40" | 18S | 180 | ||
| 85 | 6285 | 125.7 | 31843 | 5.07 | 42" | 14S | 200 | ||
| Model | Accelerator | Voltage | Pulling Force | Torque | Current | Speed | Power | Efficiency | Motor Temperature |
| BGS-H128 KV45 | % | V | g | N.m | A | rpm | W | g/W | ℃ |
| 45% | 88.4 | 8206 | 4.83 | 9.7 | 1696 | 857.48 | 9.57 | 80 | |
| 50% | 88.3 | 10484 | 5.96 | 13.5 | 1910 | 1192.05 | 8.79 | ||
| 60% | 88.3 | 15119 | 8.31 | 22.2 | 2253 | 1960.26 | 7.71 | ||
| 70% | 88.1 | 19766 | 10.79 | 33.1 | 2582 | 2916.11 | 6.78 | ||
| 80% | 88 | 25325 | 13.77 | 47.8 | 2917 | 4206.4 | 6.02 | ||
| 85% | 87.8 | 29294 | 15.81 | 58 | 3077 | 5092.4 | 5.75 | ||
| 90% | 87.7 | 32566 | 17.82 | 68.5 | 3219 | 6007.45 | 5.42 | ||
| 95% | 87.6 | 35887 | 19.69 | 80 | 3399 | 7008 | 5.12 | ||
| 100% | 87.6 | 36244 | 19.87 | 80.5 | 3389 | 7051.8 | 5.14 |

