Home > Product > Vertical Motors > BG-P501 200KV 310KV High Power UAV Motor for Heavy Payload Multirotor Drones
4 3 3 3 3
  • 1
  • 2
  • 2
  • 2
  • 2

Vertical Motors

BG-P501 200KV 310KV High Power UAV Motor for Heavy Payload Multirotor Drones

Product Number:P501
get free solutions compare
The 50xx series multirotor drone motors are high-power brushless DC external rotor motors designed for heavy-lift UAV platforms. With a stator diameter of about 50 mm, these motors provide extremely high torque, strong thrust, and excellent efficiency, making them ideal for large industrial drones and agricultural UAV applications.
  • Motor dimensions

    50*10mm

  • Number of slots

    24N28P

  • Copper wire grade

    200℃

  • Shaft diameter

    4mm

  • Motor weight

    195g

  • Service life

    >1000h

Basic Data
ModelKV ValueMaximum  PowerMaximum  CurrentPullEfficiencyAweBatteryESC
BG-H501KVWAgg/W/SA
200452.820.7834107.5324''folding paddle6S60 
310887.9541.5942024.7321''folding paddle6S60 
3601039.848.8446764.520''folding paddle6S60 



test data
ModelAcceleratorVoltagePulling ForceTorqueCurrentSpeedPowerEfficiencyMotor Temperature
BG-P501
KV200
%VgN.mArpmWg/W
45%21.9912110.473.91176385.9814.0854
50%22.0114050.565.091926112.0312.54
60%21.9518850.737.712206169.2311.14
70%21.9223590.9310.872449238.279.9
80%21.8728251.1414.662678320.618.81
85%21.8729861.2416.412766358.898.32
90%21.8232271.3518.582861405.427.96
95%21.8133381.4320.052920437.297.63
100%21.7934101.4620.782955452.87.53


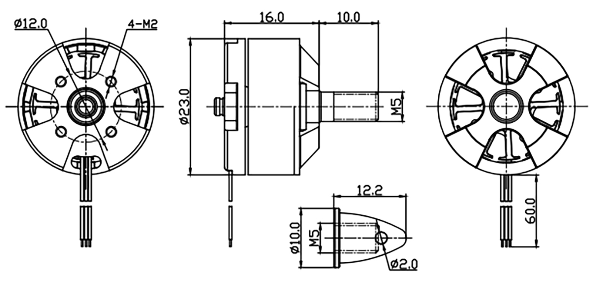
drawing

CONTACT FORM

ANYTHING YOU COULDN’T FIND?
Talk with one of our sales representatives

same series of products