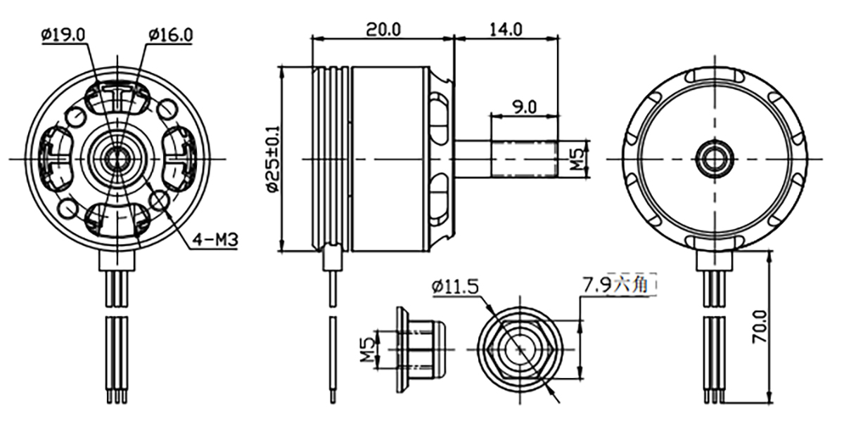
25*20mm
12N14P
200℃
M5
30.5g
>1000h
| Model | KV Value | Maximum Power | Maximum current | Pull | Efficiency | Awe | Battery | Electronic Tuning | |
| BG-F2008 | KV | W | A | g | g/W | / | S | A | |
| 2300 | 110 | 10.5 | 365 | 3.3 | 4040 | 3S | 20 | ||
| 2300 | 205 | 14.6 | 560 | 2.7 | 4040 | 4S | 30 | ||
| 2300 | 132 | 12.5 | 400 | 3 | 4045 | 3S | 25 | ||



