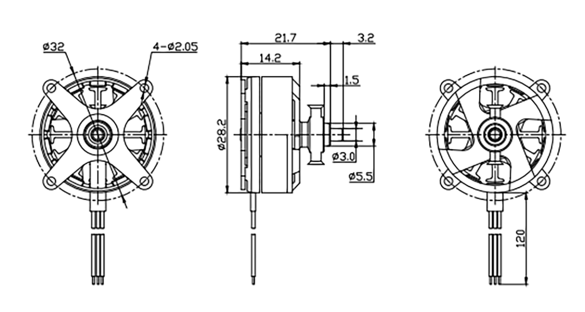
28.2*14.2mm
12N14P
200℃
5.5mm
26g
>1000h
| Model | KV Value | Maximum Power | Maximum Current | Pull | Efficiency | Awe | Battery | ESC | |
| BG-F2305 | KV | W | A | g | g/W | / | S | A | |
| 1600 | 105 | 14.2 | 485 | 4.6 | 8060 | 2S | 30 | ||
| 1600 | 102 | 13.8 | 560 | 5.5 | 9050 | 2S | 30 | ||
| 1850 | 144 | 19.5 | 685 | 4.8 | 9050 | 2S | 40 | ||



