Home > Product > Vertical Motors > BG-P4715 13-15inch 280KV 360KV FPV Drone motor
4 3 3 3 3
  • 1
  • 2
  • 2
  • 2
  • 2

Vertical Motors

BG-P4715 13-15inch 280KV 360KV FPV Drone motor

Product Number:P4715
get free solutions compare
With a stator diameter of around 40 mm, these motors deliver higher torque, stronger thrust, and improved stability, making them ideal for industrial drones that require reliable and efficient propulsion.
  • Motor dimensions

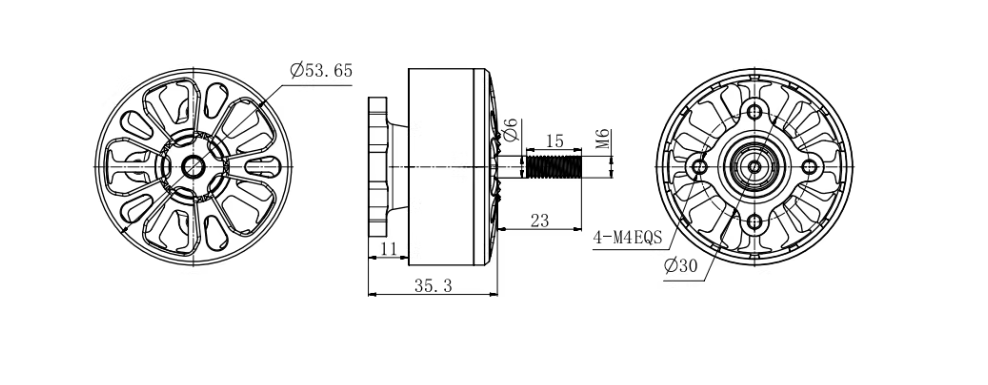
    53.65*35.3mm

  • Number of slots

    12N14P

  • Copper wire grade

    200℃

  • Shaft diameter

    6mm

  • Motor weight

    274g

  • Service life

    >1000h

Basic Data
ModelKV ValueMaximum  PowerMaximum  CurrentPullEfficiencyAweBatteryESC
BG-P4715KVWAgg/W/SA
2802484.9254.4770322.83

15"Three-bladed paddle

12S120 
4402596.6583.4468982.6615"Three-bladed paddle8S80 



test data
ModelAcceleratorVoltagePulling ForceTorqueCurrentSpeedPowerEfficiencyMotor Temperature
BG-P4715
KV280
%VgN.mArpmWg/W
45%46.2419450.446.425113296.866.5543
50%46.1824090.548.65658397.156.07
60%46.0533160.7714.886611685.224.84
70%46.0142930.9821.427445985.534.36
80%45.9352831.230.5881941404.543.76
85%45.8757071.3435.4185371624.263.51
90%45.7662571.4341.1888461884.43.32
95%45.7367221.5248.1290912200.533.05
100%45.6270321.5854.4792182484.922.83


drawing

植保压缩图.jpg

微信图片_20260319133346_3211_8.jpg

CONTACT FORM

ANYTHING YOU COULDN’T FIND?
Talk with one of our sales representatives

same series of products