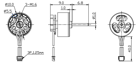
10*9mm
9N12P
200℃
1mm
1.9g
>1000h
| Model | KV Value | Maximum Power | Maximum Current | Pull | Efficiency | Awe | Battery | ESC | |
| BG-S0703 | KV | W | A | g | g/W | / | S | A | |
| 10000 | 4.4 | 1.2 | 15 | 3.4 | 56mmXφ1.0 | 1S | 5 | ||
| 15000 | 28 | 3.8 | 40 | 1.4 | 56mmXφ1.0 | 2S | 8 | ||
| 20000 | 31.8 | 4.3 | 48 | 1.5 | 56mmXφ1.0 | 2S | 10 | ||

